Общероссийский классификатор стандартов → ПОДЪЕМНО-ТРАНСПОРТНОЕ ОБОРУДОВАНИЕ → Землеройные машины *Включая экскаваторы, погрузчики, грейдеры и т.д.
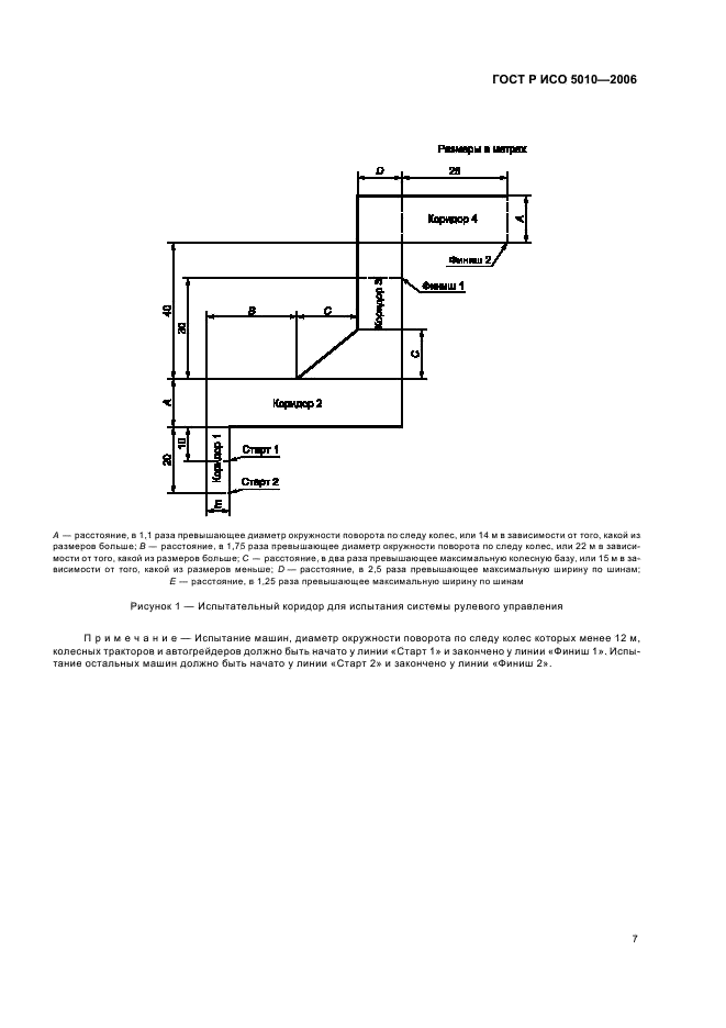
Настоящий стандарт устанавливает методы испытаний систем рулевого управления самоходных колесных землеройных машин и критерии качества их работы для оценки управляемости машин, способных развивать скорость, определяемую в соответствии с ИСО 6014, свыше 20 км/ч.
Настоящий стандарт распространяется на тракторы, погрузчики , экскаваторы-погрузчики, экскаваторы, землевозы, самоходные скреперы и автогрейдеры, оснащенные или только ручным управлением (без усилителя), или частично механизированным ручным управлением (с усилителем), или полностью механизированным ручным управлением согласно ИСО 6165.
Настоящий стандарт не распространяется на катки, уплотняющие машины и трубоукладчики
| Название на англ.: | Earth-moving machinery. Rubber-tyred machines. Steering capability |
| Тип документа: | стандарт |
| Статус документа: | заменён |
| Число страниц: | 15 |
| Дата актуализации текста: | 01.08.2013 |
| Дата актуализации описания: | 01.08.2013 |
| Дата издания: | 02.07.2007 |
| Дата введения в действие: | 01.01.2008 |
| Дата последнего изменения: | 22.05.2013 |
| Дата завершения срока действия: | 01.01.2011 |
| Заменяющий: | ГОСТ Р ИСО 5010-2009 |















Ведущий эксперт по сертификации с 10-летним опытом. Помогу решить любые вопросы по оформлению документов.
Для города действует скидка на оформление документов до -40%.
Узнать подробности