Общероссийский классификатор стандартов → РЕЗИНОВАЯ, РЕЗИНОТЕХНИЧЕСКАЯ, АСБЕСТО-ТЕХНИЧЕКАЯ И ПЛАСТМАССОВАЯ ПРОМЫШЛЕННОСТЬ → Оборудование для производства резины и пластмасс
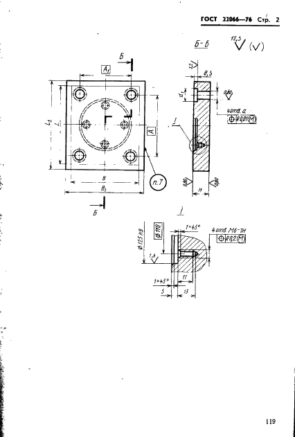
Настоящий стандарт устанавливает конструкцию и размеры плит-заготовок крепления
| Название на англ.: | Clamping plate-blanks of injection moulds. Design and dimensions |
| Тип документа: | стандарт |
| Статус документа: | действующий |
| Число страниц: | 3 |
| Дата актуализации текста: | 01.08.2013 |
| Дата актуализации описания: | 01.08.2013 |
| Дата издания: | 01.10.1986 |
| Дата введения в действие: | 30.06.1977 |
| Дата последнего изменения: | 22.05.2013 |
| Переиздание: | переиздание с изм. 1 |
| Взамен в части: | МН 5155-63 в части неподвижных фланцев |



Ведущий эксперт по сертификации с 10-летним опытом. Помогу решить любые вопросы по оформлению документов.
Для города действует скидка на оформление документов до -40%.
Узнать подробности